联系我们
销售经理:吕先生
手机号码:15000166681
销售热线:021-66075551
传真号码:021-66075551
电子邮件:972747657@qq.com
商务 Q Q:972747657
企业网址:http://www.gkv.net.cn
|
进口系列电磁阀 |
|
我公司专业厂家生产销售各种阀门系列,保证质量
,价格公道.售后有服务,请来电咨询:15000166681
|
|
|
|
进口系列电磁阀
|
|
产品型号:ZCA
|
|
|
|
产品用途:
本电磁阀用于各种常温、中温、常压、中压等场合,适用于纯净气体或流体、尤其是空气、自来水、瓦斯、煤气、柴油、低压蒸汽、热水管路的自动控制;广泛应用于太阳能设备、洗涤设备、制冷、暖通空调、发动机组、自来水厂、环保水处理等行业,是自动化控制工程、项目改造及设备配套的首选产品。
|
|
产品结构特点:
引进国外先进技术加以创新,赶超进口电磁阀
动作时间响应迅速,每秒动作次数可达数十次
安装无特殊要求,现场可任意方向安装
阀体采用热锻成型工艺、体积小、外形美观
液体、气体、油品可混合使用,更加提高电磁阀的使用范围
所需部件全部采用数控机床加工, 确保电磁阀的精度与可靠性
采用德国原装进口合成密封材料,寿命长是同类产品的十倍以上
采用 日本进口 塑封 线圈, 确保电磁阀的可靠性,防水、防潮,宜适用于长时间通电
|
|
主要零件的材料说明:
|
参数↓ 型号→
|
ZCA
|
|
工作介质
|
水、空气、油、瓦斯、煤气 、 热水
|
|
介质温度(℃ )
|
≤ 90
|
|
环境温度(℃ )
|
≤ 60
|
|
公称通径(mm )
|
4~8
|
10~12
|
15
|
20
|
25
|
32
|
40
|
50
|
|
接管尺寸(G )
|
1/4″
|
3/8″
|
1/2″
|
3/4″
|
1″
|
1-1/4″
|
1-1/2″
|
2″
|
|
流量系数(Kv 值)
|
2
|
3.6
|
9.0
|
12
|
14
|
28
|
32
|
47
|
|
工作压力(Mpa )
|
0.03 ~1.0
|
0.03 ~16
|
0.07 ~1.6
|
|
额定电压(V )
|
AC:380 、220 、110 、50Hz/60Hz DC:220 、36 、24 、12
|
|
功率 (W)
|
AC:14VA DC:8W
|
|
使用流体粘度
|
运动粘度≤ 1 mm2/s 的各种流体、气体 介质
|
|
使用电压范围
|
+ 10%
|
|
阀体材料
|
锻压黄铜和不锈钢
|
|
密封材料
|
德国原装进口合成密封
|
|
防护等级
|
IP65
|
|
型 号
|
ZCA-P 不锈钢
|
BZCA 带防爆装置
|
ZCA-K 常开式电磁阀
|
|
技术说明
|
阀体采用304
或316 不锈钢
|
用于易燃易爆环境,防爆等级
EXm I/IIT4 dIIBT4 dIIBT3
|
通电关闭、断电自动打开
|
|
|
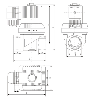
主要外形尺寸:
|
型 号
|
G
|
C
|
F
|
L
|
J
|
A
|
B
|
H
|
K
|
|
ZCA-06
|
1/4″
|
38
|
14
|
50
|
26
|
71
|
85
|
35
|
72
|
|
ZCA-10
|
3/8″
|
38
|
14
|
50
|
26
|
71
|
85
|
|
ZCA-15
|
1/2″
|
38
|
14
|
50
|
26
|
71
|
85
|
|
ZCA-20
|
3/4″
|
45
|
16
|
58
|
31
|
82
|
96
|
80
|
|
ZCA-25
|
1″
|
65
|
18
|
82
|
41
|
96
|
117
|
90
|
|
ZCA-32
|
1-1/4″
|
96
|
20
|
132
|
58
|
112
|
145
|
132
|
|
ZCA-40
|
1-1/2″
|
96
|
20
|
132
|
58
|
112
|
145
|
|
ZCA-50
|
2″
|
111
|
22
|
160
|
70
|
125
|
166
|
160
|
|
|
|
友情链接:申请友情链接请联系QQ:972747657
上海工开阀门制造有限公司国家石油和化学工业局、中国化工装备总公司定点生产企业
销售经理:吕先生 销售电话:15000166681
办公电话:021-66075551
商务QQ:972747657
传真号码:021-66075551
公司网址:http://www.gkv.net.cn
地址:上海市奉贤工业区 版权所有:上海工开阀门制造有限公司